
Application

ceramic scribing, ceramic drilling, SMT metal net cutting, stencil drilling, ceramic, sapphire, glass cutting and dicing, wafer dicing, aluminum substrate cutting, large-area light guide plate marking, QR code inspection.
System Overview
The SuperFar Intelligent SPCut high-precision platform vision cutting head system deeply integrates core technologies including high-precision motion control, real-time PSO dynamic adjustment, and intelligent fly cutting. This enables precise, rapid, and high-quality cutting, making it ideally suited for automated equipment applications such as ceramic scribing, ceramic drilling, stencil drilling, ceramic/sapphire/glass cutting and dicing, wafer dicing, aluminum substrate cutting, large-area light guide plate marking, QR code inspection, and printing machinery.
System Architecture
The SPCut software, paired with the QLC-420 four-axis motion controller, enables single or dual platform cutting and can control stepper, servo, and linear motors. Enhanced S-curve acceleration/deceleration algorithms with look-ahead control ensure faster and more stable machine operation. Designed specifically for high-precision equipment, it provides uniform corner energy control and enables fast, high-quality machining of small circles.
Software
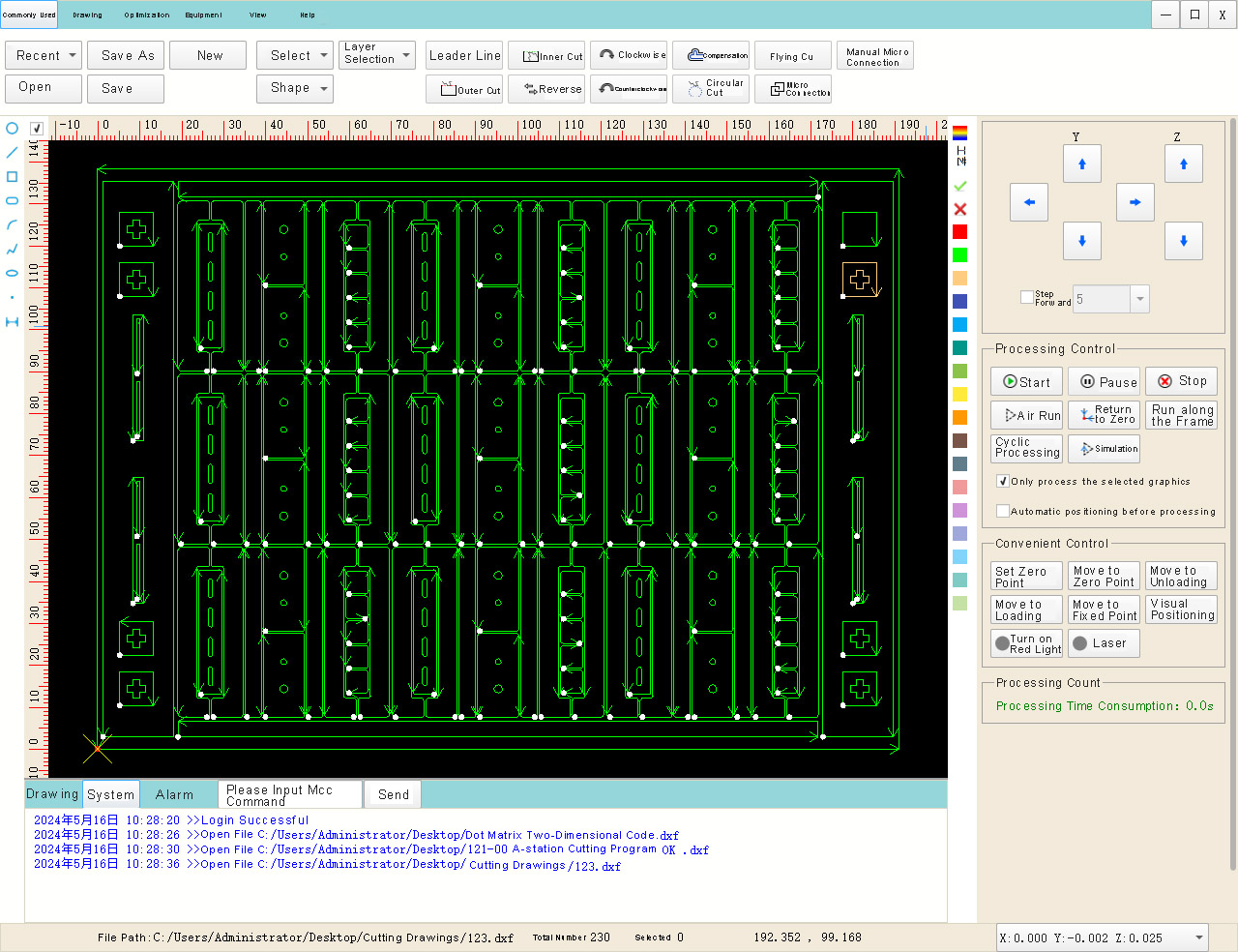
SPCut Software

Technical Module | Innovation Design Highlights |
Single/dual platform | Enables continuous production: one platform performs cutting while the other facilitates loading/unloading |
Multi function | Supports multiple processes including laser cutting, drilling |
Fly Cutting | Path-optimized algorithm eliminates deceleration segments, increasing speed by 30% |
Curved Surface Machining | Z-axis real-time dynamic focusing replacing traditional 3D modeling |
Micro-Hole drilling | Professional Rotary Cutting Head Enables 0.01mm Diameter Ceramic Micro-Hole Laser Machining |
Visual Positioning | Sub-pixel recognition (±3μm) with thermal deformation compensation |
Hardware
4 Axis motion control card(QLC-420)

Category | Description |
Control Features | - Supports 4-axis analog, pulse/direction, and EtherCAT bus control -Direct drive compatibility with drives and I/O modules -Adaptable to stepper, servo, and linear motors -Enhanced S-curve acceleration/deceleration with look-ahead control for optimized machine stability -High-precision interpolation algorithm design with exceptional small-circle machining capability |
Computing Performance | QLC-420cut platform equipped with high-performance digital processing unit. - Ultra-short servo cycle suitable for high-speed, high-precision scenarios |
Communication Capabilities | - EtherNET 1000M Ethernet communication - Independent operating system |
EtherCAT Interface | - Simplified wiring, exceptional scalability, and robust anti-interference performance |
Data Storage | - Large-capacity memory architecture supporting high-speed data throughput applications |
Extended Functions | - Gantry dual-drive synchronization, position compare and trigger functions -Pulse Synchronized Output (PSO) for laser energy control -Integrated online debugging/analysis software with compact, easy-to-install design |
Application | -ceramic scribing, ceramic drilling, stencil drilling, ceramic/sapphire/glass cutting and dicing, wafer dicing, aluminum substrate cutting, large-area light guide plate marking |
About Us
Shenzhen SuperFar Intelligent Control Technology Co., Ltd
Step by step, the miles are gained; Floor by floor, the view's obtained.
SuperFar located in Shenzhen, has a core competitive technical team dedicated to the development and sales of high-end motion controllers, mirror systems, servo drives, robot control systems, and customized software systems.
After years of dedicated research and development and customer use, continuous testing and improvement, the independently developed high-end motion controller and supporting control software have won full recognition and affirmation from customers with stable performance, fast speed, high precision, strong functionality, and convenient use, greatly enhancing the competitiveness of customer equipment in terms of performance price ratio. SuperFar has steadily moved towards becoming the first high-tech company in China to develop high-end multi-dimensional motion controllers.
SuperFar's series of products are widely used in industrial control fields such as laser processing equipment (marking, cutting, welding, drilling, surface modification, 3D printing, etc.), electronic industry application equipment (processing, testing), production automation equipment, CNC machine tools, printing machinery, special machine tools, robots, packaging machinery, clothing processing machinery, etc.
SuperFar continues to invest in research and development, and new series of products will be continuously introduced to the market to enhance customer competitiveness and work together with customers to create brilliance.
Certificate

Customer
Exhibition

After sale service
1. 7*24 hours online support

2. Professional after sales team support and guide

3. Powerful R&D team capable of ODM/OEM service and secondary development requirements
FAQ
Q: Can the software support secondary development?
A: We provide SDK packages to facilitate customer secondary development.
Q: What is the product warranty period?
A: Boards come with a one-year warranty, including free repair services.
Q: Can you provide on-site installation and debugging?
A: Our dedicated after-sales team assists with on-site installation and debugging.
Q: What are the main applications of this cutting system?
A: The SPCut glass cutting and cleaving integrated system is primarily used for cutting and cleaving various types of glass, such as in electronics, automotive, and optical industries